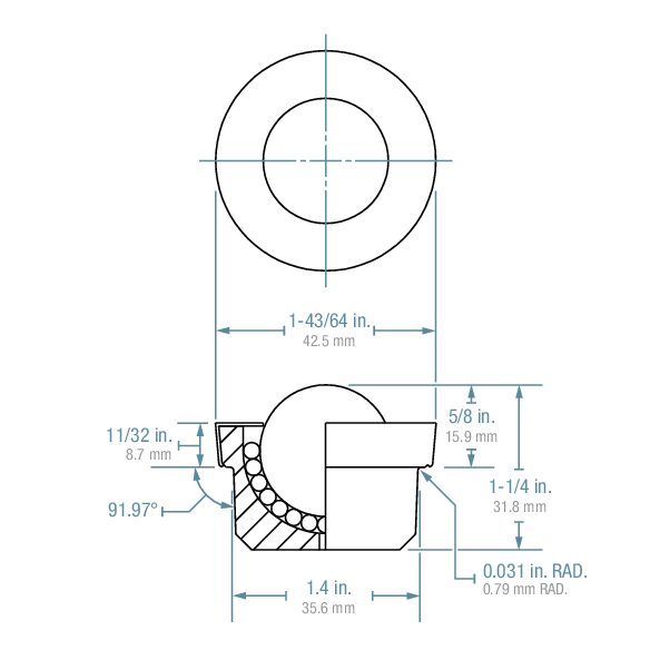
SOLID MACHINED, ALL-STEEL
- Integral flange at top allows unit to be dropped into 1-13/32” diameter hole.
- 1” Main ball rotates on 1/8” support balls.
- Carbon steel ball support cup is machined from solid steel and is hardened and plated.
- Plated steel cover.
- Available in stainless steel for additional corrosion resistance.
Download the MBT-1 Series sales sheet.
| Part Number | Ball Material | Housing Mat. | Load Cap. |
|---|---|---|---|
| MBT 1CS | Carbon Steel | Carbon Steel | 200lbs |








